1 結構組成及工作原理
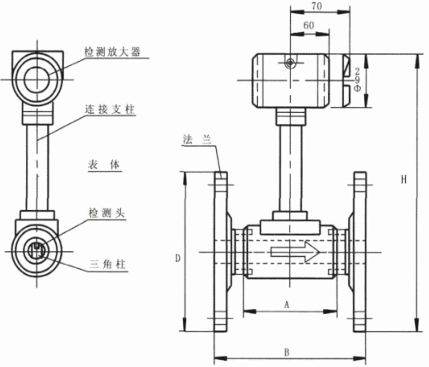
如圖1所示:渦街流量計由渦街發生體(三角柱)、檢測頭、表體、連接支柱、檢測放大器等組成。

圖1 渦街流量計組成
LUGB型渦街流量計傳感器是應用卡門渦街原理和現代電子技術設計制造的一種流量傳感器。適用于各行業的液體、氣體、蒸汽流量的計量,并且可測量含有雜質、微小顆粒的混濁液體。
當被測流體流經漩渦發生體時,在發生體的后部兩側交替產生兩列漩渦,形成“渦街”如圖2所示。該漩渦的發生頻率與流體的速度成正比,在一定的條件下符合下式:

式中:f:漩渦發生頻率St:斯特勞哈爾數V:流速d:漩渦發生體的寬度

圖2 渦街示意圖
漩渦在漩渦發生體后部產生交替變化的脈動壓力,由壓電信號傳感器將其轉換為電信號,經過變送器處理后變換成為脈沖或標準信號輸出。
2 技術特點
(1)流量測量范圍廣,計量精度高,壓力損失小。公稱直徑DN10~DN500。
(2)結構簡單、無轉動部件、工作可靠、耐久性好、壽命長。
(3)計量精度不受流體壓力、粘度、密度的影響。廣泛應用與工業測量,精度等級達到0.5級。
(4)抗環境震動性強。可測溫度zui高可達+380℃。
(5)信號輸出電流+-4~20mA,脈沖信號,HART協議等,使用范圍廣。
(6)適用于氣體、液體、蒸汽等介質。
3 流量計的應用
傳感器選型主要考慮儀表口徑的選擇和儀表功能以及儀表壓力損失。
3.1 儀表口徑的選擇
儀表的口徑不同,其測量范圍不同,而每一種口徑其測量范圍又隨被測介質種類和工況溫度、壓力變化而變化。選定儀表口徑,可按被測介質種類和工況溫度及壓力下的流量,通過查表方法選擇儀表口徑,對于過熱蒸汽的流量范圍可通過查表,查出被測介質密度,再從表中查出相近密度下的流量范圍。
對于密度值在表中處于兩值之間的可按比例計算。
幾種流量換算公式:
(1)標準狀態下的體積流量Qn換成工況狀態下的體積流量Qv:

(2)工況下氣體密度計算:(標準狀態下的密度ρn換算成工況下的密度ρ0)

(3)質量流量QG換算成體積流量QV:


式中:ρn-標準狀態下的密度,(㎏/m3);
Qn-標準狀態下的體積流量,(m3/h);
Qv-工況狀態下的體積流量,(m3/h);
t-工況狀態下的溫度,(℃);
P-工況狀態下的壓力,(MPa);
ρ0-工況狀態下的密度,(㎏/m3)。
3.2 儀表功能的選擇
儀表輸出功能的選擇依據于使用要求,一般測量流量選傳感器輸出是脈沖,供電+24V,當要求有現場顯示時,可選帶現場顯示的傳感器,根據系統功能要求還可以選擇4~20mA輸出或者HART協議輸出。
3.3 儀表壓力損失的計算
儀表口徑選擇以后,可計算該表的壓力損失,是否對工藝管線有影響。
公式:ΔP≤1.2ρV
式中:ΔP—傳感器的壓力損失,Pa;
ρ—流體的密度,kg/m3;
V—管道內流體的平均流速,m/s。
3.4 選型舉例
選擇原工藝管道內徑DN100,介質是空氣,表壓0.35MPa,溫度zui高143℃,估計標態流量范圍288~3000m3/h,要求儀表有現場顯示,并有4~20mA輸出給儀表室的二次儀表,現場防爆,儀表精度1級。
解:將標態流量范圍換成工況下流量即0.45MPa絕壓下的流量范圍,利用公式


利用公式計算空氣在工況下的密度ρ,查表標準狀態下ρn=1.293kg/m3

查表在ρ=3.6kg/m3,DN100時,工況流量范圍是100~2000(m3/h)如按ρ=3.78kg/m3計算下限流量更能滿足Qvmin=123.44m3/h,故選DN100傳感器,滿度Q工況max=1286m3/h(或標態Qmax=3000m3/h)。
4 儀表參數的設定與調試
4.1 計算公式:
(1)瞬時流量F=Fr(頻率)×3600/K(流量系數)
(2)累積流量=瞬時量對時間積分
注:瞬時流量單位為:立方米/小時;流量系數:脈沖數/立方米。
4.2 轉換板上顯示屏按如下格式設定各項參數:
在顯示儀面板上從左到右有如下三只按鍵:
位置:左鍵 中鍵 右鍵
運行:累積 瞬時 內容
設定:移位 翻字 確認和翻頁
(1)運行狀態下
按一下累積鍵(左鍵)則顯示9位累積量。
按一下瞬時鍵(中鍵)則顯示瞬時流量。
按一下內容鍵(右鍵)則依次顯示瞬時流量(F),頻率(Fr),輸出電流(PE),流量系數(U),阻尼系數(Lr),流量上限(FH),流量下限(FL)等。
(2)設定狀態下
按一下左鍵可使需設定字(閃爍字)移位;
按一下中鍵可使需設定字(閃爍字)改變;
按一下右鍵可確認本頁并翻頁;
(3)設定方法
先按下右鍵,再同時按下中鍵則進入設定狀態,這時顯示屏出現流量系數(U)的閃爍字,由此可通過左鍵的移位,中鍵對閃爍字的改變,右鍵的確認和翻頁來依次完成流量系數(U)、阻尼系數(Lr)、流量上限(FH)、流量下限(FL)的設定。例如設定流量系數為123.45,首先進入設定狀態,這時顯示器顯示U-×××××,且*位在閃動,按動中鍵使*位顯示1,接著按一下左鍵(移至第二位,此時第二位閃動),按中鍵使第二位顯示2,依次類推,直至zui后一位設定完成,確認設定數字無誤后,按下右鍵進行確認,同時顯示進入下一參數設定,當所有參數設定完成后,按右鍵,同時按下中鍵就可退出設定狀態,進入顯示狀態。
上一篇:渦街流量計